
數據中?液冷軟管解決?案
LT800EPDM液冷管是專?設計的,保證?使?壽命,?的安全性能,確保其正常應?于數據中?液冷系統。
- 內膠層:??EPDM合成橡膠。
- 增強層:?層或兩層合成纖維編織增強。
- 外膠層:??耐天候、耐臭氧、UL94V0阻燃特種合成橡膠。
- 溫度范圍:-40℃~+120℃(-40℉~+248℉)。
- 應用范圍:適?于空?、?、???醇、油?乳化液、防凍劑、磷酸酯液壓油等介質流體。
LT800EPDM液冷超軟管參數
規格 | 規格 | 軟管內徑 I.D | 軟管外徑 O.D | ??作壓? Max.W.P | ?爆破壓? Min.B.P | ?彎曲半徑 Min.B.R | 參考重量 W.T |
Size | Size | ? | ? | ? | ? |
DASH | IN | mm | mm | MPa | psi | MPa | MPa | mm | kg/m |
-4 | 1/4 | 6.1 | 7.2 | 11.6 | 12.6 | 1.38 | 5.5 | 24.5 | 0.13 |
-5 | 5/16 | 7.7 | 8.3 | 14.5 | 15.5 | 1.38 | 5.5 | 31.5 | 0.18 |
-6 | 3/8 | 9.5 | 10.3 | 15.4 | 16.4 | 1.38 | 5.5 | 37 | 0.19 |
-8 | 1/2 | 12.5 | 13.3 | 19.7 | 20.7 | 1 | 1 | 69 | 0.25 |
-10 | 5/8 | 15.8 | 16.6 | 22.5 | 23.7 | 1 | 1 | 88 | 0.30 |
-12 | 3/4 | 18.8 | 19.6 | 26.4 | 27.6 | 1 | 1 | 113 | 0.35 |
-16 | 1 | 25.2 | 26.2 | 33.6 | 34.8 | 1 | 1 | 143 | 0.52 |
-20 | 1 1/4 | 31.8 | 32.8 | 43 | 44.6 | 1 | 1 | 195 | 0.70 |
通?快速連接接頭
快速連接接頭系列是數據中?液冷系統中的重要組件。專注于安全和簡便的連接、防漏設計、?流量和抗機械應?,它專?設計以滿?數據中?液冷系統的嚴格要求。
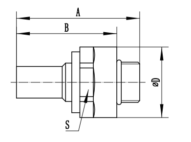
UQDB | 螺紋/端頭尺? | A | B | ΦD | S六? |
ORB | mm | in | mm | in | mm | in | mm | in |
UQD02 | 9/16-18 | 33.6 | 1.32 | 23.5 | 0.93 | 21.0 | 0.83 | 16.0 | 0.63 |
UQD04 | 2003/4/16 | 39.6 | 1.56 | 28.5 | 1.12 | 24.0 | 0.94 | 22.0 | 0.87 |
UQD06 | 2007/8/14 | 44.6 | 1.76 | 32.0 | 1.26 | 29.0 | 1.14 | 27.0 | 1.06 |
UQD08 | 11/16-12 | 54.6 | 2.15 | 39.5 | 1.56 | 37.0 | 1.46 | 32.0 | 1.26 |
UQDB | 螺紋/端頭尺? | A | B | ΦD | S六? |
ORB | mm | in | mm | in | mm | in | mm | in |
UQD02 | 7/16-20 | 36.1 | 1.42 | 27.0 | 1.06 | 21.0 | 0.83 | 19.0 | 0.75 |
UQD04 | 9/16-18 | 45.3 | 1.78 | 35.3 | 1.39 | 24.0 | 0.94 | 22.0 | 0.87 |
UQD06 | 2003/4/16 | 50.0 | 1.97 | 38.9 | 1.53 | 29.0 | 1.14 | 27.0 | 1.06 |
UQD08 | 2007/8/14 | 62.7 | 2.47 | 50.0 | 1.97 | 39.0 | 1.54 | 36.0 | 1.42 |
UQDB | 螺紋/端頭尺? | A | B | ΦC | ΦD | S1六? |
BSP | mm | in | mm | in | mm | in | mm | in | mm | in |
UQD02 | 1/8 | 46.2 | 1.82 | 19.0 | 0.75 | 15.5 | 0.61 | 23.0 | 0.91 | 14.0 | 0.55 |
UQD04 | 3/8 | 49.5 | 1.95 | 23.7 | 0.93 | 9.00 | 0.36 | 24.6 | 0.97 | 18.0 | 0.71 |
UQD06 | 3/8 | 61.1 | 2.41 | 25.8 | 1.02 | 24.0 | 0.94 | 31.7 | 1.25 | 22.0 | 0.87 |
UQD08 | 1/2 | 68.4 | 2.69 | 39.0 | 1.54 | 30.0 | 1.18 | 35.0 | 1.38 | 27.0 | 1.06 |
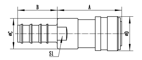
UQDB | 螺紋/端頭尺? | ΦE | F | G | H | J | S2六? |
BSP | mm | in | mm | in | mm | in | mm | in | mm | in | mm | in |
UQD02 | 1/8 | 6.65 | 0.26 | 17.32 | 0.68 | 8.70 | 0.34 | 8.00 | 0.31 | 30.40 | 1.20 | 15.00 | 0.59 |
UQD04 | 3/8 | 11.07 | 0.44 | 25.40 | 1.00 | 9.80 | 0.39 | 11.20 | 0.44 | 37.90 | 1.49 | 22.00 | 0.87 |
UQD06 | 3/8 | 14.30 | 0.56 | 25.40 | 1.00 | 10.00 | 0.39 | 11.20 | 0.44 | 41.60 | 1.64 | 22.00 | 0.87 |
UQD08 | 1/2 | 17.48 | 0.69 | 34.64 | 1.36 | 12.00 | 0.47 | 14.50 | 0.57 | 47.60 | 1.87 | 30.00 | 1.18 |
UQDB | 螺紋/端頭尺? | ΦE | F | G | H | J | S2六? |
BSP | mm | in | mm | in | mm | in | mm | in | mm | in | mm | in |
UQD02 | 7/16-20 | 6.65 | 0.26 | 16.17 | 0.64 | 8.70 | 0.34 | 9.10 | 0.36 | 29.8 | 1.15 | 14.00 | 0.55 |
UQD04 | 9/16-18 | 11.07 | 0.44 | 19.63 | 0.77 | 9.80 | 0.39 | 9.90 | 0.39
| 37.9 | 1.49 | 17.00 | 0.67 |
UQD06 | 3/4-16 | 14.30 | 0.56 | 25.40 | 1.00 | 10.00 | 0.39 | 11.10 | 0.44 | 41.6 | 1.64 | 22.00 | 0.87 |
UQD08 | 7/8-14 | 17.48 | 0.69 | 31.18 | 1.23 | 12.00 | 0.47 | 12.70 | 0.50 | 47.6 | 1.87 | 27.00 | 1.06 |
不銹鋼剛性管和波紋軟管組件
利通設計、制造和銷售?于冷卻系統的不銹鋼剛性管和鋼絲波紋軟管組件。通過持續的研究和開發,以及技術和產品的不斷優化,利通科技的定制化產品,可以滿?客?的規范和要求。
相關產品